- Описание
- Характеристики
- Вопросы
- Отзывы (1)
- Документация (2)
Для перекачивания жидкостей, не агрессивных по отношению к материалам насоса. Рекомендованы для использования в системах водоснабжения, на станциях повышения давления, в противопожарных установках, в ирригации, в промышленности, для циркуляции воды в климатических установках, в сельском хозяйстве.
Модель
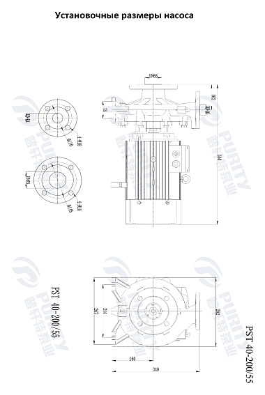
Консольно-моноблочный фланцевый насос PSTG 40-200/55 (N)
Напряжение, В
400/690
Количество ступеней
Мощность, кВт
5.5
Гарантия, мес
36
Тип установки
Диаметр вход/выход мм
Фланец DN65 - DN40
Температура рабочей жидкости в стандартном исполнении
от -10 °C до +120 °C
Материал корпуса
Серый чугун НТ200
MAX давление, бар
16
Класс защиты
IP 55
Серия
Соединение
Фланцевое
Частота, Hz
50
Тип насоса
Одноступенчатый консольно-моноблочный насос из чугуна
Материал рабочего колеса
Серый чугун НТ200
Материал ротора
Хромированная сталь 45#
Предназначен для частотного регулирования
Да
Комплект ответных фланцев
В комплекте
Тип ротора
Сухой
Напор, м
30 - 43.8
Подача, м3/ч
18 - 42
Серия оборудования
PSTG
Страна производства
Китай
Р
Рутектор
Москва
Уважаемые клиенты! Мы являемся официальными дистрибьюторами продукции PURITY на территории России. Вы можете задать вопрос специалисту или оставить отзыв о товаре. Нам важно знать ваше мнение.
Показано
1 из 1 результатов




